Вентилятор осевой ВО 06-300
Описание
- Классическая модель осевого вентилятора
- Предназначены для общеобменной вентиляции
Конструктив
- Направление потока:
- IW - от колеса на двигатель, MW - от двигателя на колесо
- Тип корпуса: 10
- Материал корпуса оцинкованная сталь
- Рабочее колесо – осевая крыльчатка с лопатками из усиленного стекловолокном полиамида
Двигатель
- Трехфазный асинхронный электродвигатель
- Степень защиты электродвигателя не ниже IP 54
Условия эксплуатации
- Климатическое исполнение по ГОСТ 15150-69: У1 или У2 (для эксплуатации на открытом воздухе или под навесом)
- Температура окружающей среды от -45°С до +40°С
- Общепромышленное (О) исполнение
- Температура перемещаемой среды от -45°С до +40°С
- Перемещаемая среда не должна содержать:
- пары и газы с агрессивностью к металлам, покрытиям и изоляции выше агрессивности воздуха
Дополнительная комплектация

1 - Вставка гибкая ВГК-РОСА
2 - Входной коллектор осевой ВКО-РОСА
3 - Переходник РОСА
4 - Клапан лепестковый КЛ-РОСА
5 - Козырек РОСА
6 - Решетка защитная БАСКЕТ-РОСА
7 - Монтажная опора МОП
8 - Виброизоляторы
* Дополнительные комплектующие в комплект поставки не входят.
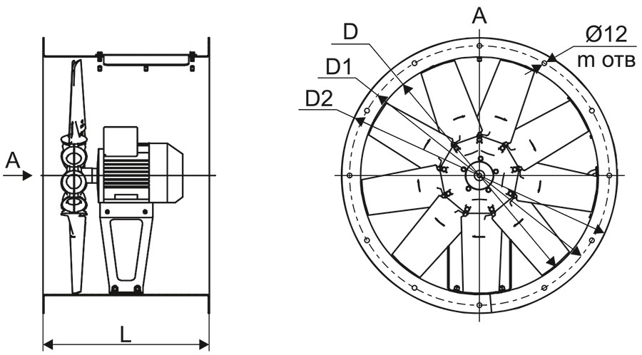
Тип корпуса вентилятора
Полная информация о вентиляторах ВО 06-300 в электронном pdf-каталоге по ссылке во вкладке "Характеристики".
Габаритные и присоединительные размеры вентиляторов ВО 06-300 с типом корпуса 10

|
Наименование |
L, мм |
D, мм |
D1, мм |
D2, мм |
m, отв |
|
ВО 06-300/10L-IW-4,0-О-R3L/PAG/30-A/0,12/1500/220-380/0-У2 |
330 |
400 |
436 |
460 |
8 |
|
ВО 06-300/10L-IW-4,0-О-R3L/PAG/30-01-A/0,18/1500/220-380/0-У2 |
330 |
400 |
436 |
460 |
8 |
|
ВО 06-300/10L-IW-4,0-О-R3L/PAG/30-02-A/0,25/1500/220-380/0-У2 |
330 |
400 |
436 |
460 |
8 |
|
ВО 06-300/10L-IW-4,0-О-R3L/PAG/30-03-A/0,37/1500/220-380/0-У2 |
330 |
400 |
436 |
460 |
8 |
|
ВО 06-300/10L-IW-4,0-О-R3L/PAG/29-A/0,75/3000/220-380/0-У2 |
380 |
400 |
436 |
460 |
8 |
|
ВО 06-300/10L-IW-5,0-О-R3L/PAG/38-01-A/0,37/1500/220-380/0-У2 |
330 |
500 |
536 |
560 |
12 |
|
ВО 06-300/10L-IW-5,0-О-R3L/PAG/38-02-A/0,55/1500/220-380/0-У2 |
380 |
500 |
536 |
560 |
12 |
|
ВО 06-300/10L-IW-6,3-О-R4Z/PAG/115-A/0,37/1000/220-380/0-У2 |
440 |
630 |
690 |
730 |
12 |
|
ВО 06-300/10L-IW-6,3-О-R4Z/PAG/115-01-A/0,55/1000/220-380/0-У2 |
440 |
630 |
690 |
730 |
12 |
|
ВО 06-300/10L-IW-6,3-О-R4Z/PAG/114-A/1,1/1500/220-380/0-У2 |
440 |
630 |
690 |
730 |
12 |
|
ВО 06-300/10L-IW-6,3-О-R4Z/PAG/114-01-A/1,5/1500/220-380/0-У2 |
440 |
630 |
690 |
730 |
12 |
|
ВО 06-300/10L-IW-8,0-О-R4Z/PAG/91-A/0,75/1000/220-380/0-У2 |
440 |
800 |
860 |
900 |
16 |
|
ВО 06-300/10L-IW-8,0-О-R4Z/PAG/91-01-A/1,1/1000/220-380/0-У2 |
440 |
800 |
860 |
900 |
16 |
|
ВО 06-300/10L-IW-8,0-О-R4Z/PAG/90-A/3,0/1500/220-380/0-У2 |
515 |
800 |
860 |
900 |
16 |
|
ВО 06-300/10L-IW-10,0-О-R5Z/PAG/140-A/1,5/750/220-380/0-У2 |
515 |
1000 |
1070 |
1135 |
16 |
|
ВО 06-300/10L-IW-10,0-О-R5Z/PAG/139-01-A/3,0/1000/220-380/0-У2 |
630 |
1000 |
1070 |
1135 |
16 |
|
ВО 06-300/10L-IW-10,0-О-R5Z/PAG/182-A/7,5/1500/380-660/0-У2 |
630 |
1000 |
1070 |
1135 |
16 |
|
ВО 06-300/10L-IW-12,5-О-R5Z/PAG/160-A/3,0/750/220-380/0-У2 |
630 |
1250 |
1320 |
1385 |
16 |
|
ВО 06-300/10L-IW-12,5-О-R5Z/PAG/160-01-A/4,0/750/380-660/0-У2 |
630 |
1250 |
1320 |
1385 |
16 |
|
ВО 06-300/10L-IW-12,5-О-R5Z/PAG/159-A/7,5/1000/380-660/0-У2 |
630 |
1250 |
1320 |
1385 |
16 |
Технические характеристики
|
Наименование |
N, кВт |
n, об/мин |
Ток, А при 380В |
Масса, кг |
|
ВО 06-300/10L-IW-4,0-О-R3L/PAG/30-A/0,12/1500/220-380/0-У2 |
0,12 |
1310 |
0,44 |
16 |
|
ВО 06-300/10L-IW-4,0-О-R3L/PAG/30-01-A/0,18/1500/220-380/0-У2 |
0,18 |
1310 |
0,67 |
16 |
|
ВО 06-300/10L-IW-4,0-О-R3L/PAG/30-02-A/0,25/1500/220-380/0-У2 |
0,25 |
1340 |
0,87 |
17 |
|
ВО 06-300/10L-IW-4,0-О-R3L/PAG/30-03-A/0,37/1500/220-380/0-У2 |
0,37 |
1340 |
1,18 |
18 |
|
ВО 06-300/10L-IW-4,0-О-R3L/PAG/29-A/0,75/3000/220-380/0-У2 |
0,75 |
2840 |
1,83 |
21 |
|
ВО 06-300/10L-IW-5,0-О-R3L/PAG/38-01-A/0,37/1500/220-380/0-У2 |
0,37 |
1340 |
1,18 |
18 |
|
ВО 06-300/10L-IW-5,0-О-R3L/PAG/38-02-A/0,55/1500/220-380/0-У2 |
0,55 |
1390 |
1,66 |
22 |
|
ВО 06-300/10L-IW-6,3-О-R4Z/PAG/115-A/0,37/1000/220-380/0-У2 |
0,37 |
880 |
1,39 |
36 |
|
ВО 06-300/10L-IW-6,3-О-R4Z/PAG/115-01-A/0,55/1000/220-380/0-У2 |
0,55 |
880 |
1,79 |
36 |
|
ВО 06-300/10L-IW-6,3-О-R4Z/PAG/114-A/1,1/1500/220-380/0-У2 |
1,1 |
1390 |
2,85 |
45 |
|
ВО 06-300/10L-IW-6,3-О-R4Z/PAG/114-01-A/1,5/1500/220-380/0-У2 |
1,5 |
1400 |
3,72 |
47 |
|
ВО 06-300/10L-IW-8,0-О-R4Z/PAG/91-A/0,75/1000/220-380/0-У2 |
0,75 |
905 |
2,3 |
52 |
|
ВО 06-300/10L-IW-8,0-О-R4Z/PAG/91-01-A/1,1/1000/220-380/0-У2 |
1,1 |
905 |
3,2 |
53 |
|
ВО 06-300/10L-IW-8,0-О-R4Z/PAG/90-A/3,0/1500/220-380/0-У2 |
3,0 |
1410 |
6,8 |
72 |
|
ВО 06-300/10L-IW-10,0-О-R5Z/PAG/140-A/1,5/750/220-380/0-У2 |
1,5 |
690 |
4,4 |
96 |
|
ВО 06-300/10L-IW-10,0-О-R5Z/PAG/139-01-A/3,0/1000/220-380/0-У2 |
3,0 |
960 |
7,64 |
114 |
|
ВО 06-300/10L-IW-10,0-О-R5Z/PAG/182-A/7,5/1500/380-660/0-У2 |
7,5 |
1450 |
15,71 |
144 |
|
ВО 06-300/10L-IW-12,5-О-R5Z/PAG/160-A/3,0/750/220-380/0-У2 |
3,0 |
710 |
8,15 |
132 |
|
ВО 06-300/10L-IW-12,5-О-R5Z/PAG/160-01-A/4,0/750/380-660/0-У2 |
4,0 |
720 |
10,47 |
160 |
|
ВО 06-300/10L-IW-12,5-О-R5Z/PAG/159-A/7,5/1000/380-660/0-У2 |
7,5 |
970 |
17,2 |
176 |
Шумовые характеристики
|
Наименование |
Уровень звуковой мощности, дБ в октавных полосах частот, Гц |
Общий, дБа |
|||||||
|
63 |
125 |
250 |
500 |
1000 |
2000 |
4000 |
8000 |
||
|
ВО 06-300/10L-IW-4,0-О-R3L/PAG/30-A/0,12/1500/220-380/0-У2 |
71 |
67 |
66 |
66 |
67 |
64 |
65 |
58 |
76 |
|
ВО 06-300/10L-IW-4,0-О-R3L/PAG/30-01-A/0,18/1500/220-380/0-У2 |
71 |
67 |
66 |
66 |
67 |
64 |
65 |
58 |
76 |
|
ВО 06-300/10L-IW-4,0-О-R3L/PAG/30-02-A/0,25/1500/220-380/0-У2 |
72 |
67 |
67 |
67 |
68 |
65 |
66 |
59 |
76 |
|
ВО 06-300/10L-IW-4,0-О-R3L/PAG/30-03-A/0,37/1500/220-380/0-У2 |
72 |
67 |
67 |
67 |
68 |
65 |
66 |
59 |
76 |
|
ВО 06-300/10L-IW-4,0-О-R3L/PAG/29-A/0,75/3000/220-380/0-У2 |
88 |
83 |
83 |
83 |
84 |
81 |
82 |
75 |
93 |
|
ВО 06-300/10L-IW-5,0-О-R3L/PAG/38-01-A/0,37/1500/220-380/0-У2 |
74 |
72 |
70 |
66 |
66 |
66 |
67 |
58 |
79 |
|
ВО 06-300/10L-IW-5,0-О-R3L/PAG/38-02-A/0,55/1500/220-380/0-У2 |
76 |
73 |
71 |
67 |
67 |
67 |
67 |
59 |
79 |
|
ВО 06-300/10L-IW-6,3-О-R4Z/PAG/115-A/0,37/1000/220-380/0-У2 |
71 |
68 |
66 |
66 |
66 |
65 |
66 |
62 |
76 |
|
ВО 06-300/10L-IW-6,3-О-R4Z/PAG/115-01-A/0,55/1000/220-380/0-У2 |
71 |
68 |
66 |
66 |
66 |
65 |
66 |
62 |
76 |
|
ВО 06-300/10L-IW-6,3-О-R4Z/PAG/114-A/1,1/1500/220-380/0-У2 |
80 |
77 |
75 |
76 |
76 |
75 |
76 |
72 |
86 |
|
ВО 06-300/10L-IW-6,3-О-R4Z/PAG/114-01-A/1,5/1500/220-380/0-У2 |
81 |
78 |
76 |
77 |
76 |
75 |
76 |
72 |
86 |
|
ВО 06-300/10L-IW-8,0-О-R4Z/PAG/91-A/0,75/1000/220-380/0-У2 |
81 |
75 |
76 |
73 |
71 |
71 |
73 |
66 |
84 |
|
ВО 06-300/10L-IW-8,0-О-R4Z/PAG/91-01-A/1,1/1000/220-380/0-У2 |
81 |
75 |
76 |
73 |
71 |
71 |
73 |
66 |
84 |
|
ВО 06-300/10L-IW-8,0-О-R4Z/PAG/90-A/3,0/1500/220-380/0-У2 |
91 |
85 |
86 |
83 |
81 |
81 |
83 |
76 |
94 |
|
ВО 06-300/10L-IW-10,0-О-R5Z/PAG/140-A/1,5/750/220-380/0-У2 |
81 |
78 |
76 |
74 |
72 |
72 |
73 |
66 |
85 |
|
ВО 06-300/10L-IW-10,0-О-R5Z/PAG/139-01-A/3,0/1000/220-380/0-У2 |
89 |
86 |
84 |
81 |
80 |
79 |
80 |
73 |
92 |
|
ВО 06-300/10L-IW-10,0-О-R5Z/PAG/182-A/7,5/1500/380-660/0-У2 |
94 |
95 |
95 |
92 |
91 |
89 |
90 |
83 |
101 |
|
ВО 06-300/10L-IW-12,5-О-R5Z/PAG/160-A/3,0/750/220-380/0-У2 |
85 |
82 |
80 |
78 |
80 |
78 |
75 |
67 |
90 |
|
ВО 06-300/10L-IW-12,5-О-R5Z/PAG/160-01-A/4,0/750/380-660/0-У2 |
86 |
83 |
81 |
79 |
80 |
78 |
75 |
67 |
90 |
|
ВО 06-300/10L-IW-12,5-О-R5Z/PAG/159-A/7,5/1000/380-660/0-У2 |
92 |
89 |
87 |
85 |
87 |
85 |
82 |
74 |
96 |
Электрические схемы подключения вентиляторов в сеть 380 В

* В вентиляторах с номинальным напряжением ∆/Y 380В/660В предусмотрена возможность запуска пониженным напряжением по схеме Y-∆. Для получения более подробной информации по подключению, обратитесь в отдел технической поддержки.
Не представленные в наличии модели доступны к поставке под заказ
Оповестить о поступлении
Всю необходимую информацию также можно получить по телефону «горячей линии»
+ 7 800 200 93 96или по телефону
+7 800 505 08 67 получить консультацию